Termostaty řady TH-160 jsou tepelně závislé jednopólové spínače, založené na principu nestejné teplotní dilatace dvou různých kovů. Jsou určeny pro spínání elektrických obvodů, ale nikoliv jako hlavní spínače. Základem termostatů je spolehlivý mechanický systém, který nemá žádnou vlastní spotřebu energie. Termostaty se vyznačují vysokou odolností proti mechanickému poškození a nízkými náklady na provoz a údržbu.
Popis
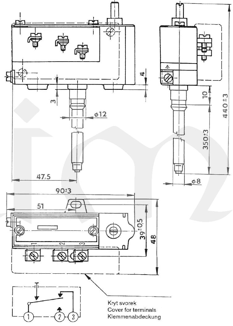
Termostaty se skládají ze dvou hlavních částí: teplotního čidla a spínací hlavice. Dilatační změny čidla se přenášejí prostřednictvím páky na spínač. Termostaty se vyrábí v provedení rozpínacím (2 svorky) nebo přepínacím (3 svorky). Svorky jsou šroubové s možností připojení vodičů s max. průřezem 4 mm. K ochranné svorce musí být připojen ochranný vodič. Standardní provedení je opatřeno krytem svorek pro zabránění náhodného dotyku. Požadavek na provedení bez krytu svorek musí být uveden v objednávce.
Při montáži je nutno chránit stonek i hlavici před nárazy a dále je třeba zabránit deformacím stonku. Na přání se k termostatům dodávají ochranné jímky.
Nastavení teploty
Regulačním knoflíkem u termoslatů TH160, TH160.1, TH160.2, TH163, TH164, TH166, TH167 a TH169. Teplotu lze u uživatele přestavit v rámci jmenovitého rozsahu.
Ve výrobním závodě na základě specifikace v objednávce. Pevně nastavenou teplotu nelze u uživatele dodatečně měnit (TH162 a TH165).
Technické údaje
Přesnost nastavení ±10 % z nejvyšší hodnoty jmenovité vypínací teploty nastavené na termostatu
Průměr stonku 8 mm
Max. teplota spínací hlavice +120 °C
Hmotnost cca 0,25 až 0,35 kg
Krytí IP 00
Životnost cca 10 000 cyklů
| Přesnost nastavení | ±10 % z nejvyšší hodnoty jmenovité vypínací teploty nastavené na termostatu |
| Průměr stonku | 8 mm |
| Max. teplota spínací hlavice | 120 °C |
| Hmotnost | cca 0,25 až 0,35 kg |
| Krytí | IP 00 |
| Životnost | 10 000 cyklů |
| Typ |
Regulační rozsah [°C]
|
Diference spín. teploty [K]
|
Délka stonku
L1 ±3 [mm] |
Délka termostatu L ±3 [mm] |
Jmenovité napětí, proud
|
Počet svorek
|
| TH 160 |
20-80
|
2÷8
|
315
|
388 |
250 V, 15 A st
|
2
|
| TH 160.1 |
20-75
|
2÷8
|
315
|
388 |
250 V, 15 A st
|
2
|
| TH 160.2 |
20-80
|
2÷8
|
315
|
388 |
250 V, 15 A st
|
3
|
| TH 162 |
20-160
|
1÷16
|
100 |
164 |
250 V, 15 A st |
3 |
| TH 163 |
50-90 |
6÷16 |
100 |
173 |
250 V, 15 A st |
3 |
| TH 164 |
30-160 |
2÷10 |
160 |
233 |
250 V, 15 A st |
3 |
| TH 165 |
20-200 |
1÷10 |
160 |
224 |
250 V, 15 A st |
3 |
| TH 166 |
100-200 |
1÷10 |
200 |
273 |
250 V, 15 A st |
3 |
| TH 167 |
20-100 |
1÷10 |
250 |
323 |
250 V, 15 A st
|
3 |
| TH 167.1 |
-10-50
|
1÷10
|
250
| 323 |
250 V, 15 A st |
3 |
| TH 169 |
60-120 |
2÷8 |
315 |
388 |
250 V, 15 A st |
2 |
| TH 175 |
60-200 |
3 |
350 |
440 |
250 V, 15 A st |
3 |
