Termostat RT8804.01U, 2sv. +50..+320°C

Regulátor teploty RT 8804 (dále jen RT) je určen k regulaci teploty v zařízeních napájených střídavým elektrickým prou­dem, jako je např. elektrická pečicí trouba. RT neslouží jako vypínač.

Popis
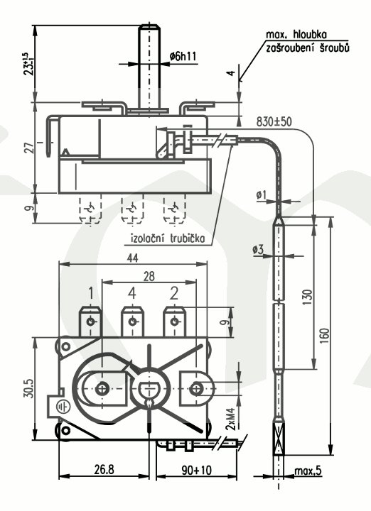
RT je jednopólový kapilární regulátor teploty založe­ný na principu dilatace kapaliny. RT sestává ze dvou základních částí - ze spínacího ústrojí a kapilárního teplotního čidla. Na krytu je ochranný zemnicí kolík. Regulovanou teplotu může uživatel nastavit v rozme­zí regulačního rozsahu.
Montáž RT se provádí dvěma šrouby M4.

Přednosti

  • možnost variabilního umístění a natočení čidla
  • nezávisle na poloze spínacího ústrojí
  • možnost montovat spínací ústrojí v libovolné poloze
  • možnost ohýbat kapiláru podle podmínek montáže
  • systém nemá žádnou vlastní spotřebu energie
  • nízké náklady na provoz a údržbu oproti elektro­nickým systémům

Technické údaje:

Regulační rozsah

+50 °C až +320 °C    (nižší dle provedení)

Přesnost nastavení max. rozpínací teploty

±10 °C

Diference spínací hodnoty

4-10 K

Jmenovitý proud

16 (2,6) A

Jmenovité napětí

240 V

Meze teploty spínacího ústrojí

0 °C - 150 °C

Max.teplota čidla

330 °C

Krytí

IP 00, RT je vestavný

Třída ochrany

I.

Životnost

100 000 automatických cyklů

Délka kapiláry

1000 mm (včetně čidla),
provedení RT8804.01L  = 1500mm (včetně čidla)

Min.poloměr ohybu kapiláry

Rmin = 5 mm

Připojovací svorky

ploché kolíky 6,3 x 0,8 mm dle ČSN EN 61210


Po dohodě lze posunout regulační rozsah k nižší teplotě, dodávat RT v provedení přepínacím nebo v provedení 8804.01U s vývody otočenými o 90° (úhlové provedení - viz náčrt). Další informace je možné obdržet na poptávku. Výrobek je certifikován VDE.



Přehled typového označení
 

Typ

Regulační rozsah teplot [°C]

Provedení
(rozp./přep.)

Počet svorek

Provedení
(rovné/úhlové)

Zemnící kolík

8804.01

+50..+320

rozpínací

2

rovné

ano

8804.01U

+50..+320

rozpínací

2

úhlové

ano

8804.011

+50..+320

přepínací

3

rovné

ano

8804.011U

+50..+320

přepínací

3

úhlové

ano

8804.01S

+50..+190

rozpínací

2

rovné

ano

8804.011S

+50..+190

přepínací

3

rovné

ano

8804.01N

+50..+250

rozpínací

2

rovné

ano

8804.011N

+50..+250

přepínací

3

rovné

ano

1304408, 12361, 12092

Parametry výrobku:

Regulační rozsah +50..+320 °C
Délka kapiláry [cm], nebo provedení 83
Odkazy Příslušenství - ochranné jímky
Ke stažení: teplomery_termostaty_au.pdf
RT880x._navod.pdf
Cena: 244 Kč (bez DPH)
Cena: 296 Kč včetně DPH 21 %
Do košíku

Volitelné příslušenství

Id: 5627,   ID_Pohoda : 579,