ASG 123

ASG 123 - Měřicí transformátor proudu násuvný se zvýšenou mechanickou odolností

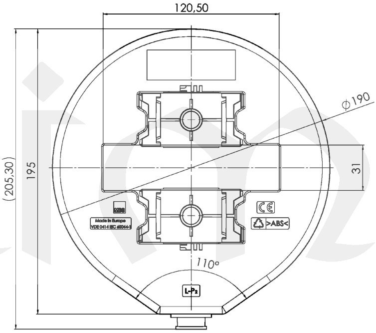
Jednofázový transformátor proudu pro primární pasovinu až 2x120x10 mm

Lze zvolit 1 až 3  vinutí v jednom pouzdru.

 

Vlastnosti, použití:
  • jednofázový transformátor proudu pro primární pasovinu až 2x120x10 mm
  • příma a jednoduchá montáž na primární vodič pomocí dvou upínacích modulů, které jsou součastí dodávky
  • 1 až 3 vinutí v jednom pouzdru
  • maximální provozní napětí Um 1,2 kV
  • zkušební izolační napětí: 6 kV; Uef; 50 Hz; 1 min
  • jmenovitý primární proud: 400....4000 A
  • jmenovitý sekundární proud: 5A, 1A nebo 2A
  • jmenovitá zátěž 2,5 VA až 30 VA (závisí na parametrech)
  • dodávaná třída přesnosti jistíciho vinutí: 0,2; 0,2S; 0,5; 0,5S; 1; 3
  • dodávaná třída přesnosti jistíciho vinutí: 5P; 10P; PX
  • možno kombinovat měřící a jistíci vinutí
  • všechna vinutí jsou zalita v polyuretanové pryskyřici odpovídajíci UL94-V0
  • materiál pouzdra: ABS
  • transformátory jsou použitelné v prostředí se zvýšeným mechanickým a klimatickým namáháním
  • hloubka kompaktního pouzdra [h] je závislá na počtu a typu vinutí v pouzdru, může být: 50 / 100 / 125 mm
  • připojení sekundárniho obvodu pomocí pružného měděného vodiče s přídavnou textilní izolací o průřezu 4 mm2 a délky 1,5 m ( jiné délky a průřezy jsou možné na vyžádaní ); vliv délky kabelu na měření je zohledněn
  • transformátory splňují požadavky IEC 61869/1+2 (dříve IEC 60044-1)

zašlete poptávku Vašich požadovaných parametrů.  eximus@eximus.cz

Parametry výrobku:

Typ proudového transformátoru ASG 123
Jedna pásovina 120x10 mm
Sekundární proud 1|5 A
Dvě pásoviny 2x120x10 mm
Odkazy Popis parametrů měřících transformátorů proudu

Nadproudové křivky chyb nízkonapěťových měřících transformátorů proudu a schéma zapojení

Ke stažení: ASG123.pdf
Trafa_EXIMUS_MBS.pdf
Spotreba_vedeni_k_trafu.pdf
Cena: Na dotaz!
Do košíku

Id: 14840,