ASK 31.4, 100/5A; 1,5VA; 0,5%

Parametry výrobku:

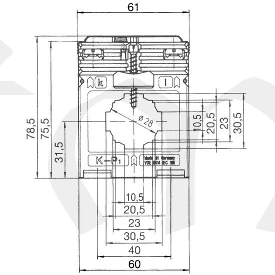
Typ proudového transformátoru ASK 31.4
Primární proud trafa 100 A
Jedna pásovina 30x10 mm
Sekundární proud 5 A
Způsob přípoje, průměr nebo pás 28 mm
Třída přesnosti trafa 0,5 %
Dvě pásoviny 2x20x10 mm
Výkon 1,5 VA
Nadproudové číslo 5
Kód výrobce 8011
Hmotnost trafa 0,35 kg
Odkazy Popis parametrů měřících transformátorů proudu
Nadproudové křivky chyb nízkonapěťových měřících transformátorů proudu a schéma zapojení
Ke stažení: Trafa_EXIMUS_MBS.pdf
Spotreba_vedeni_k_trafu.pdf
Cena: 988 Kč (bez DPH)
Cena: 1196 Kč včetně DPH 21 %
Do košíku

Volitelné příslušenství

Id: 13885,