ASK 31.6, 75/5A; 2,5VA; 0,5%

Parametry výrobku:

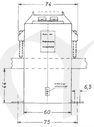
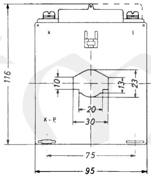
Typ proudového transformátoru ASK 31.6
Primární proud trafa 75 A
Jedna pásovina 30x10 mm
Sekundární proud 5 A
Způsob přípoje, průměr nebo pás 23 mm
Třída přesnosti trafa 0,5 %
Dvě pásoviny 20x13 mm
Výkon 2,5 VA
Nadproudové číslo 5
Kód výrobce 10015
Hmotnost trafa 0,5 kg
Odkazy Popis parametrů měřících transformátorů proudu
Nadproudové křivky chyb nízkonapěťových měřících transformátorů proudu a schéma zapojení
Ke stažení: Trafa_EXIMUS_MBS.pdf
Spotreba_vedeni_k_trafu.pdf
Cena: 5559 Kč (bez DPH)
Cena: 6727 Kč včetně DPH 21 %
Do košíku

Volitelné příslušenství

Id: 13889,