ASK 41.5, 300/5A; 15VA; 0,5S%

Uchycení transformátoru je možné provést pomocí upevňovacích patek, které jsou součástí dodávky.
Možnost také dokoupit plombovací krytky.

Obecné vlastnosti

  • Jmen. trvalý tepelný proud Icth: 1,0 x IN
  • Jmen. krátkodobý tepelný proud Ith: 60 x IN, 1 sec
  • Nadproudové číslo: FS5
  • Jmen. dynamický proud Idyn: 2,5 x Ith
  • Max. provozní napětí Um: 0.72 kV
  • Zkušební izolační napětí: 3 kV, Ueff, 50 Hz, 1 min.
  • Jmenovitý kmitočet: 50 Hz
  • Třída izolace: E
  • Stupeň krytí: IP 20
  • Rozsah pracovních teplot: -5°C až +40°C
  • Rozsah skladovacích teplot: -25°C až +70°C

Parametry výrobku:

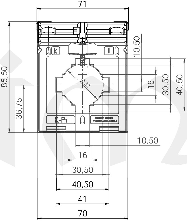
Typ proudového transformátoru ASK 41.5
Primární proud trafa 300 A
Jedna pásovina 40x10 mm
Sekundární proud 5 A
Způsob přípoje, průměr nebo pás 32 mm
Třída přesnosti trafa 0,5S %
Dvě pásoviny 30x15 mm
Výkon 15 VA
Nadproudové číslo 5
Kód výrobce 1010504013
Hmotnost trafa 0,4 kg
Odkazy Popis parametrů měřících transformátorů proudu

Nadproudové křivky chyb nízkonapěťových měřících transformátorů proudu a schéma zapojení

Ke stažení: ASK41.5_Eximus.pdf
Trafa_EXIMUS_MBS.pdf
Spotreba_vedeni_k_trafu.pdf
Cena: 1841 Kč (bez DPH)
Cena: 2228 Kč včetně DPH 21 %
Do košíku

Volitelné příslušenství

Id: 15548,