CTB 41.35, 750/5A; 10VA; 1%

Montáž transformátoru se provádí buď pomocí upevňovacích patek, které jsou součástí dodávky, nebo speciální příchytkou na normalizovanou lištu DIN 35mm z volitelného příslušenství.

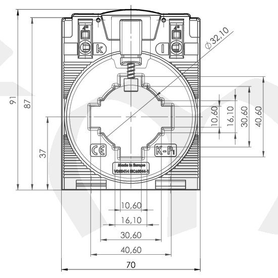
Měřicí transformátor řady CTB umožňuje připojení sekundárních vodičů pomocí bezšroubových svorek technologií "Cage Clamp®". Jedná se o inovativní, bezúdržbové a čas šetřící připojení pevných i lankových vodičů do 4mm2, které je navíc možno připojit k transformátoru zvrchu nebo zepředu.
K uchycení primárního vodiče nebo pasu je k dispozici rychloupínací příchytka - viz. Příslušenství.

 

Obecné vlastnosti:

  • Jmen. trvalý tepelný proud Icth: 1,2 x IN
  • Jmen. krátkodobý tepelný proud Ith: 60 x IN, 1 sec
  • Nadproudové číslo: FS5
  • Jmen. dynamický proud Idyn: 2,5 x Ith
  • Max. provozní napětí Um: 1,2 kV
  • Zkušební izolační napětí: 6 kV, Ueff, 50 Hz, 1 min.
  • Jmenovitý kmitočet: 50/60 Hz
  • Třída izolace: E
  • Stupeň krytí: IP 20
  • Rozsah pracovních teplot: -5°C až +50°C
  • Rozsah skladovacích teplot: -25°C až +70°C

Parametry výrobku:

Typ proudového transformátoru CTB 41.35
Primární proud trafa 750 A
Jedna pásovina 40x10 mm
Sekundární proud 5 A
Způsob přípoje, průměr nebo pás 31,8 mm
Třída přesnosti trafa 1 %
Dvě pásoviny 30x15 mm
Výkon 10 VA
Nadproudové číslo 5
Kód výrobce 50-0064
Hmotnost trafa 0,35 kg
Odkazy Popis parametrů měřících transformátorů proudu

Nadproudové křivky chyb nízkonapěťových měřících transformátorů proudu a schéma zapojení

Ke stažení: Spotreba_vedeni_k_trafu.pdf
Cena: 805 Kč (bez DPH)
Cena: 975 Kč včetně DPH 21 %
Do košíku

Volitelné příslušenství

Id: 6736,