CTM 7

Nejmenší existující provedení transformátorů proudu MBS.

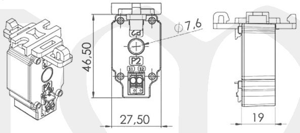
Jednofázový transformátor proudu o kruhovém průměru vodiče 7,5 mm.

  • díky malým rozměrům jsou vhodné například pro použití ve výpočetních střediscích
  • je možná přímá montáž na třífázové vedení
  • rychlá a jednoduchá montáž:
    Transformátory L1 a L3 jsou umístěny pomocí příchytky na DIN lištu (objednací kód 55018) a transformátor L2 je naklapnut na transformáítory L1 a L3
  • jednoduché připojení sekundárních vodičů k transformátoru pomocí pezšroubových svorek "picoMAX"
  • sekundární proud 1A ve třídě přesnosti 1

zašlete poptávku Vašich požadovaných parametrů na  eximus@eximus.cz

Parametry výrobku:

Typ proudového transformátoru CTM 7
Sekundární proud 1 A
Způsob přípoje, průměr nebo pás 7,6 mm
Třída přesnosti trafa 1 %
Odkazy Popis parametrů měřících transformátorů proudu

Nadproudové křivky chyb nízkonapěťových měřících transformátorů proudu a schéma zapojení

Ke stažení: CTM7.pdf
Trafa_EXIMUS_MBS.pdf
Spotreba_vedeni_k_trafu.pdf
Cena: Na dotaz!
Do košíku

Volitelné příslušenství

Id: 15295,