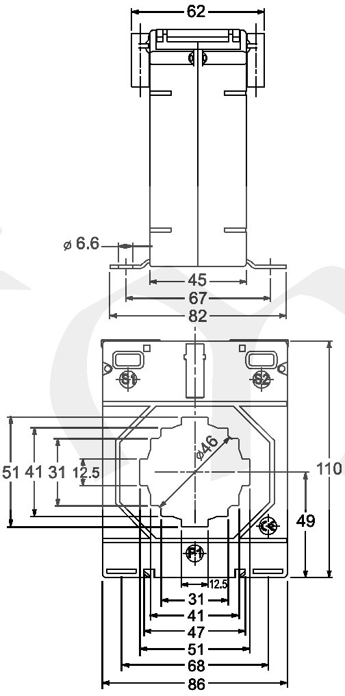
LCTB86/50(45) 100/5A; 1,5VA; 1%

Parametry výrobku:

Typ proudového transformátoru LCTB86/50(45)
Primární proud trafa 100 A
Jedna pásovina 50x12 mm
Sekundární proud 5 A
Způsob přípoje, průměr nebo pás 46 mm
Třída přesnosti trafa 1 %
Dvě pásoviny 2x40x15 mm
Výkon 1,5 VA
Tři pásoviny 3x30x10 mm
Nadproudové číslo 5
Kód výrobce 0904-130-026
Odkazy Popis parametrů měřících transformátorů proudu

Nadproudové křivky chyb nízkonapěťových měřících transformátorů proudu a schéma zapojení

Ke stažení: Proudove_merici_transformatory_LUMEL_Eximus.pdf
Spotreba_vedeni_k_trafu.pdf
Proudove_merici_transformatory_LUMEL_Eximus_2021.pdf
Proudove_merici_transformatory_LUMEL_Eximus_2022.pdf
Proudove_merici_transformatory_LUMEL_Eximus_2023.pdf
Cena: Na dotaz!
Do košíku

Id: 10789,