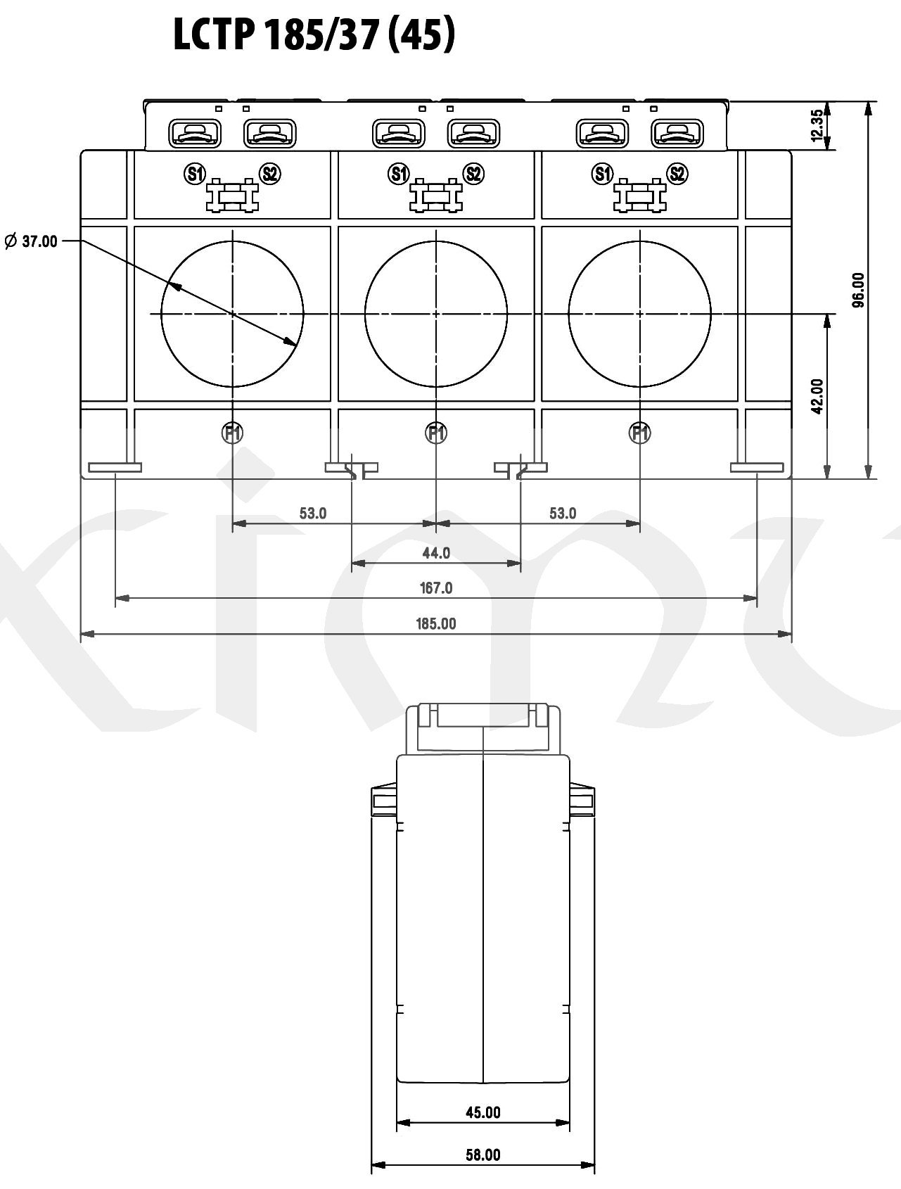
LCTP185/37(45)-3x600/5A; 5VA; 1%

Parametry výrobku:

Typ proudového transformátoru LCTP185/37(45)
Primární proud trafa 600 A
Výkon 5 VA
Sekundární proud trafa 5 A
Otvory pro průvlek pr.37 mm
Třída přesnosti trafa 1 %
Kód výrobce LCTP 1853740600A51
Odkazy Prohlášení o shodě, (Declaration of Conformity)

Popis parametrů měřících transformátorů proudu

Nadproudové křivky chyb nízkonapěťových měřících transformátorů proudu a schéma zapojení

Spotřeba vedení k trafu

Katalog proudové měřící transformátory Lumel 2021
Ke stažení: LCTP_proudove_merici_transformatory_datasheet.pdf
Cena: Na dotaz!
Do košíku

Volitelné příslušenství

Id: 18224,